SP3005BF
是一款用于5串鋰電池的保護芯片,SP3005BF內部集成了高精度的電壓、電流檢測電路,能夠實現每串電池的過壓、欠壓保護,以及整串電池的充電過流、放電過流、短路保護和充放電的溫度保護等。
詳細介紹
文檔與工具
樣品及購買
SP3005BF是一款用于5串鋰電池的保護芯片,SP3005BF內部集成了高精度的電壓、電流檢測電路,能夠實現每串電池的過壓、欠壓保護,以及整串電池的充電過流、放電過流、短路保護和充放電的溫度保護等。SP3005BF內部集成N型MOSFET的驅動電路,能夠直接驅動外部N型充電管和放電管。
此外,SP3005BF具有極低的電流消耗,正常工作時其工作電流小于30uA。
SP3005BF采用TSSOP16封裝。
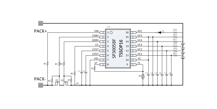
典型應用框圖
應用
● 高精度電壓檢測
● 過充電壓保護基準:4.25V±25mV
● 過充恢復電壓基準:4.05V±25mV
● 放電欠壓保護基準:2.70V±50mV
● 放電欠壓恢復基準:3.00V±50mV
● 高精度充放電電流檢測
● 二級充電過流基準:
第一級:-40mV±10mV
第二級:-80mV±20mV
● 三級放電過流
放電過流一級:100mV±10%
放電過流二級:200mV±10%
● 短路保護基準:500mV±10%
● 溫度保護功能
● 獨立可調的充電高低溫保護
● 獨立可調的放電高低溫保護
● 極低的消耗電流
● 正常工作:≤30uA
● 電動工具
● 家用無繩電器
● 園林工具
● UPS后備電池系統
樣品及購買
樣片申請
推薦產品
