SP6681
是一款高集成、高性能電流型PWM控制器,具有低功耗、寬電源電壓特點,適合應用在輸出范圍寬的PD充電器方案。
詳細介紹
文檔與工具
樣品及購買
SP6681是一款高集成、高性能電流型PWM控制器,具有低功耗、寬電源電壓特點,適合應用在輸出范圍寬的PD充電器方案。
該控制器同時也是一款兼容低成本、高性價比的離線反激式電路,在滿載輸出時,IC在固定頻率模式下工作,當負載減輕時,IC在谷底導通的綠色模式下工作,以此來提高電源轉換效率,當負載進一步減輕時,IC 工作在跳頻模式,使待機功耗最小化。該控制電路在整個負載范圍內都有比較高的轉換效率。
SP6681提供了完整的保護功能,包括逐周期過流保護(OCP),過載保護(OLP),外部過溫保護(OTP),輸出短路保護(SCP),輸出過壓和VDD過壓保護。IC內部頻率轉換技術實現了優(yōu)異的EMI效果,內部工作頻率控制技術使得23KHz頻率以下的能量最小化,來避免工作時產生噪聲。
SP6681采用SOT23-6封裝。
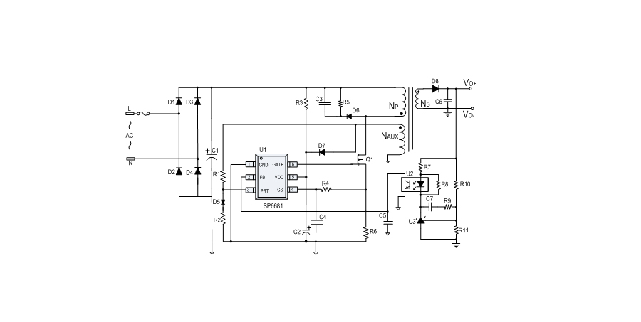
典型應用框圖
應用
● 多種工作模式:
125KHz最大頻率模式@ Peak Load,
65KHz或45KHz固定頻率模式@Full Load,
谷底導通開關@Green mode,
跳頻模式@Light Load & No Load
● 檢測輸出電壓實現自適應環(huán)路增益補償
● 超低工作電流
● 超寬VDD電壓范圍
● 全線電壓內置OCP補償
● 跳頻模式控制提高效率和降低待機功耗
● 軟啟動降低MOSFET Vds應力
● 抖頻改善EMI
● 無噪聲工作
● 手機、數碼相機充電器
● PD適配器
● 機頂盒電源
樣品及購買
樣片申請
推薦產品
