SP6616HF
是一顆電流模式PWM控制芯片,內置650V高壓功率MOSFET,應用于功率在12W以內的方案
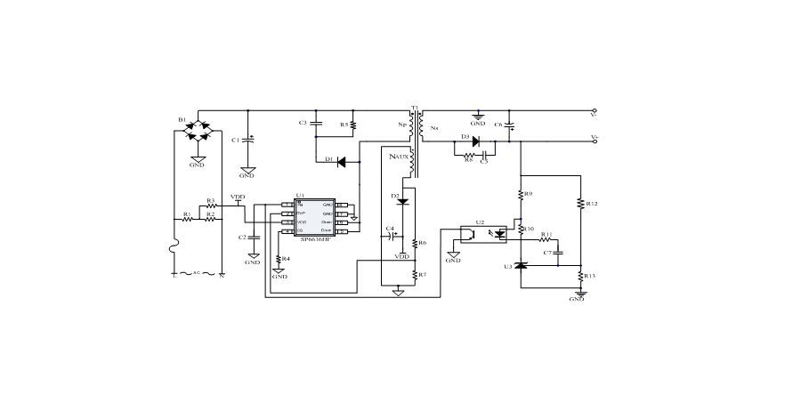
SP6616HF是一顆電流模式PWM控制芯片,內置650V高壓功率MOSFET,應用于功率在12W以內的方案。SP6616HF在PWM模式下工作于固定開關頻率,這個頻率是由內部精確設定。在空載或者輕載時,工作頻率由IC內部調整。芯片可以工作在綠色模式,以此來減小輕載時的損耗,提高整機的工作效率。SP6616HF在啟動和工作時只需要很小的電流,可以在啟動電路中使用一個很大的電阻,以此來進一步減小待機時的功耗。芯片內置有斜坡補償電路,當電路工作于大占空比時,避免次諧波振蕩的發生,改善系統的穩定性。內置有前沿消隱時(Leading-edge blanking time),消除緩沖網絡中的二極管反向恢復電流對電路的影響。SP6616HF采用了抖頻技術,能夠有效改善系統的EMI性能。系統的跳頻頻率設置在音頻(20KHz)以上,在工作時可以避免系統產生噪音。SP6616HF內置多種保護,包括輸出過壓保護(VOUT OVP),逐周期限流保護(OCP),過載保護(OLP),過壓保護(VDD OVP),VDD過壓箝位,欠壓保護(UVLO),過溫保護(OTP)等,通過內部的圖騰柱驅動結構可以更好的改善系統的EMI特性和開關的軟啟動控制
全電壓范圍(85V-265V)輸入時待機功耗小于100mW
內置650V高壓功率管
4ms軟啟動用來減少MOSFET上Vds的應力
抖頻功能,改善EMI性能
跳頻模式,改善輕載效率,減小待機功耗
無噪聲工作
固定65KHz開關頻率
內置同步斜坡補償
低啟動電流,低工作電流
內置前沿消隱(LEB)功能
過載保護(OLP),逐周期限流保護(OCP)
VDD過壓保護(VDD OVP),欠壓保護(UVLO),VDD電壓箝位
輸出過壓保護(VOUT OVP)
過溫保護(OTP)
S0P7無鉛封裝
充電器
PDA、數碼相機、攝像機電源適配器
機頂盒電源
開放框架式開關電源
個人電腦輔助電源
